NO
-
Laster...

Handlekurv

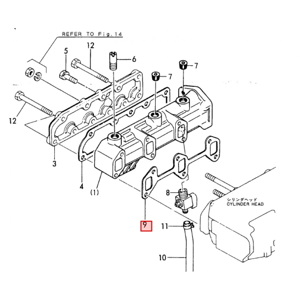
gasket-manifold

GASKET, MANIFOLD

Lager: 3 stk

Varenummer:121450-13251

Kategorier: Pakning-motor, 3GM / 3GMD, 3GM30, 3GM30F, 3GM30F-YEU, 3GM30-YEU, 3GMF / 3GMDF

Del produktet

Eksosportpakning 3GM30

Spesifikasjon

Størrelse 3x275x75 mm
Vekt 28 g