Vi har nylig oppgradert nettsiden vår og i en overgangsperiode kan det forekomme at enkelte lenker eller sider ikke fungerer helt som forventet. Ta kontakt om du ikke får bestilt!
NO
NO
EN
Produkter
Alle
Yanmar marine deler
Båtutstyr
Forfilter
Systemrens
Yanmar snøfreser deler
Søk
Vis alle resultater
-
Laster...
Logg inn
Registere
Produkter
NO
NO
EN
Handlekurv
Produkter
Produkter
Logg inn
Søk
-
Handlekurv
Hjem
Yanmar marine deler
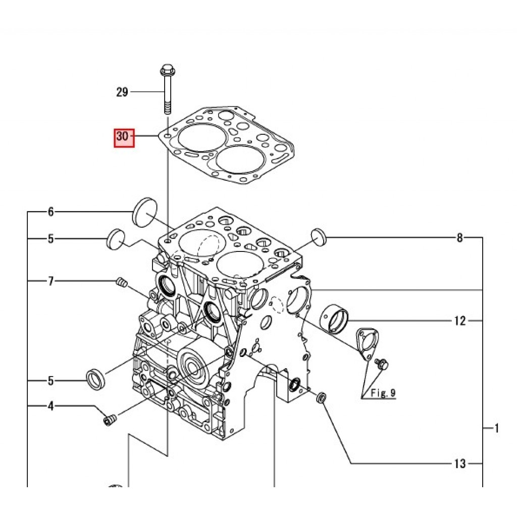
Pakninger
Toppakning
GASKET, HEAD
GASKET, HEAD
Toppakning 2YM15
mer
Lager: 1 stk
Antall
Legg til Handlekurv
Varenummer:
119415-01330
Kategorier:
Toppakning
,
2YM15
Del produktet
Beskrivelse
Spesifikasjon
Toppakning 2YM15
Spesifikasjon
Størrelse
195x4x220 mm
Vekt
83 g