NO
-
Laster...

Handlekurv

v-belt-a44

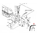
V-BELT, A44

Lager: 8 stk

Varenummer:129940-42310E

Kategorier: Dynamoreimer, 3JH2E / 3JH2TE, 3JH3E

Del produktet




3JH2E
3JH2T
3JH3E

Spesifikasjon

Størrelse 370x370x13 mm
Vekt 120 g