NO
-
Laster...

Handlekurv

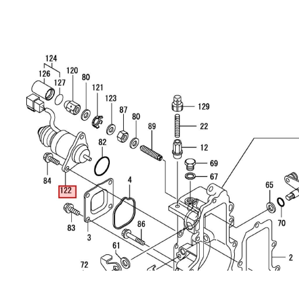
solenoid-stop

SOLENOID, STOP

Tomt på lager

Varenummer:129271-77950

Kategorier: Stop-solenoid, 2YM15, 3YM20, 3YM30, 3YM30AE

Del produktet

Stop Solenoid YM-Serie

Spesifikasjon

Størrelse 90x90x110 mm
Vekt 462 g