Vi har nylig oppgradert nettsiden vår og i en overgangsperiode kan det forekomme at enkelte lenker eller sider ikke fungerer helt som forventet. Ta kontakt om du ikke får bestilt!
NO
NO
EN
Produkter
Alle
Yanmar marine deler
Båtutstyr
Forfilter
Systemrens
Yanmar snøfreser deler
Søk
Vis alle resultater
-
Laster...
Logg inn
Registere
Produkter
NO
NO
EN
Handlekurv
Produkter
Produkter
Logg inn
Søk
-
Handlekurv
Hjem
Yanmar marine deler
Elektrisk
Instrumentpanel
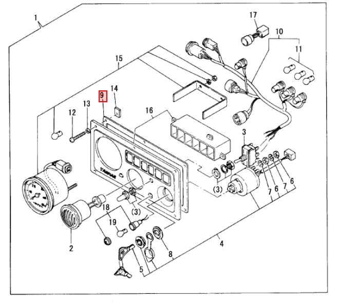
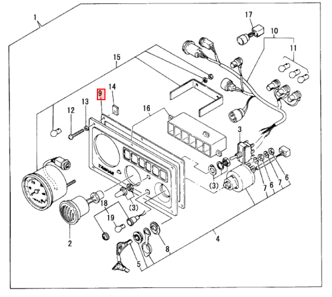
GASKET, PANEL
GASKET, PANEL
Lager: 1 stk
Antall
Legg til Handlekurv
Varenummer:
128170-91020
Kategorier:
Instrumentpanel
Del produktet
Beskrivelse
Spesifikasjon
Produktet mangler beskrivelse
Spesifikasjon
Størrelse
130x4x260 mm
Vekt
60 g