Vi har nylig oppgradert nettsiden vår og i en overgangsperiode kan det forekomme at enkelte lenker eller sider ikke fungerer helt som forventet. Ta kontakt om du ikke får bestilt!
NO
NO
EN
Produkter
Alle
Yanmar marine deler
Båtutstyr
Forfilter
Systemrens
Yanmar snøfreser deler
KAMPANJE
OUTLET
Søk
Vis alle resultater
-
Laster...
Logg inn
Registere
Produkter
NO
NO
EN
Handlekurv
Produkter
Produkter
Logg inn
Søk
-
Handlekurv
Hjem
Yanmar marine deler
Søk via motortype
1-sylindret-motor
1GM10
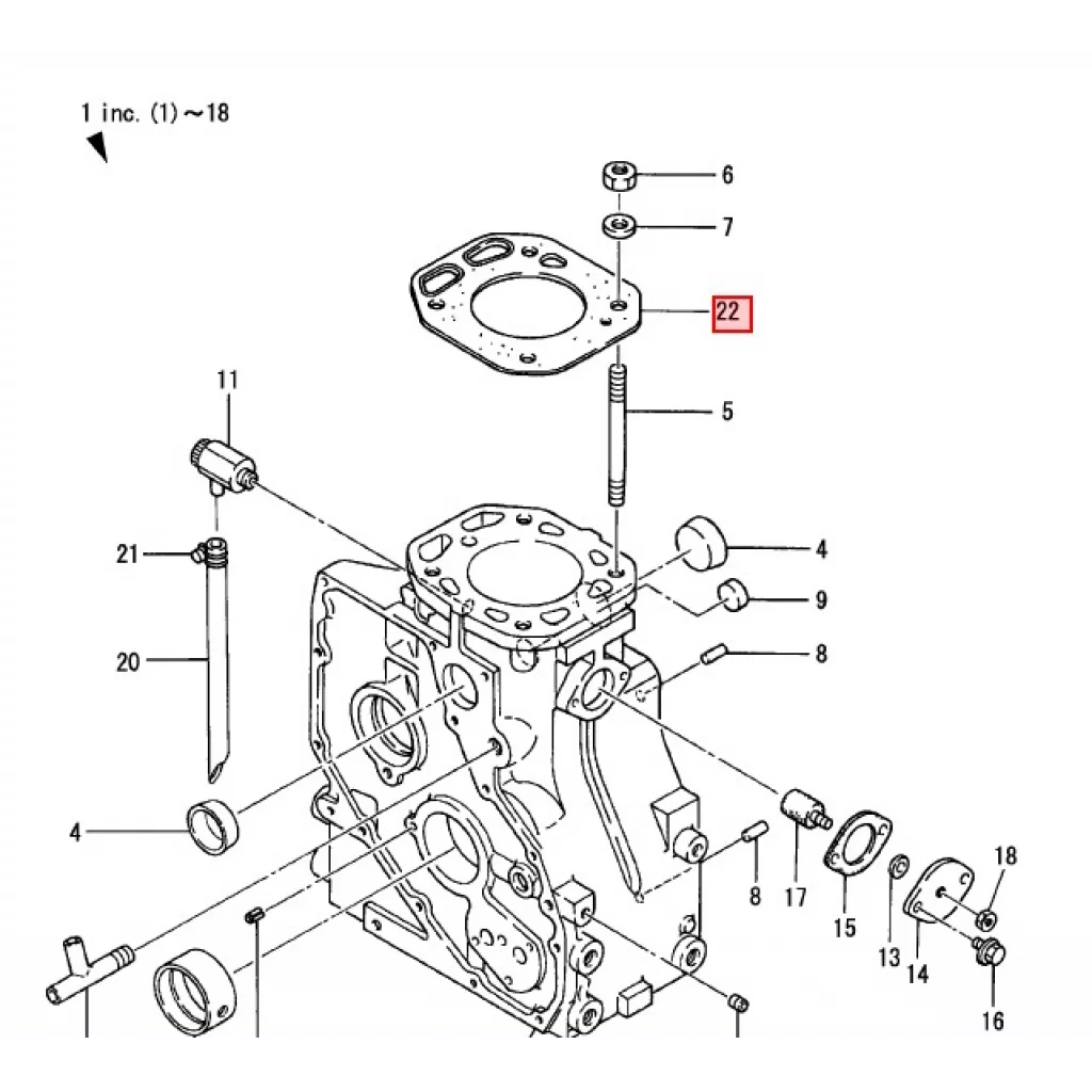
GASKET, HEAD
GASKET, HEAD
Toppakning til 1GM10
mer
Lager: 1 stk
Antall
Legg til Handlekurv
Varenummer:
128171-01911
Kategorier:
1GM10
,
Toppakning
Del produktet
Beskrivelse
Spesifikasjon
Toppakning til 1GM10
Spesifikasjon
Størrelse
2x135x115 mm
Vekt
43 g