-
Laster...

Handlekurv

elbow-mixing
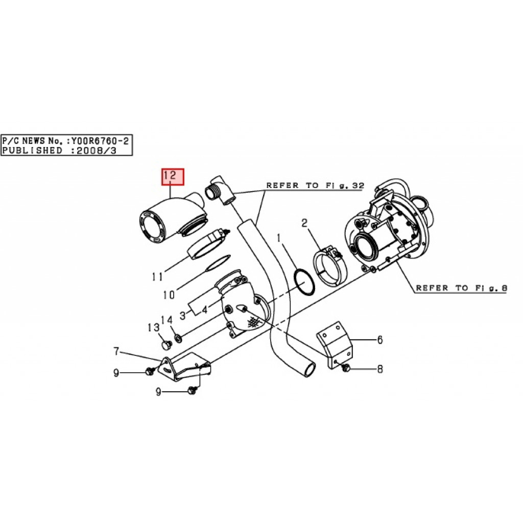
ELBOW, MIXING
ELBOW, MIXING

ELBOW, MIXING

Blandebend til 4LHA-STZ, 4LHA-STP, 4LHA-HTP, 6LP-STE, 6LP-DTZE, 6LP-STZE, 6LP-STE, 6LP-DTE og 8LV- serien
Husk å ta med: 1 stk 23..
mer

Tomt på lager

Del produktet

Blandebend til 4LHA-STZ, 4LHA-STP, 4LHA-HTP, 6LP-STE, 6LP-DTZE, 6LP-STZE, 6LP-STE, 6LP-DTE og
8LV- serien

Husk å ta med:
1 stk 23893-020002, PLUG, G1/4
1 stk 23414-130000, GASKET, 13X1.0

Erstatter tidligere delenummer:119773-13500 og 119773-13501

Spesifikasjon

Størrelse 130x270x170 mm
Vekt 2,894 kg

Reservedeler

Alternativer